SD341X,SD343H伸縮蝶閥
SD341X/SD343H伸縮蝶閥具有自動補償管道熱脹冷縮方便裝卸的功能,使用于溫度在425℃以下,公稱壓力在1.6MPa以下的石油、化工、電力、造紙、給排水和市政建設等工業管道上作調節流量和載斷流體的最佳裝置。
|
産品名稱: |
伸縮蝶閥 |
産品型号: |
SD341X/SD343H |
|
公稱通徑: |
DN40~DN1200 |
閥座密封: |
橡膠密封或金屬硬密封 |
|
公稱壓力: |
0.6MPa~1.0MPa~1.6MPa |
連接方式: |
法蘭式 |
|
适用溫度: |
-30ºC~+425ºC |
驅動方式: |
手動、蝸輪、電動、氣動、液動 |
|
閥體材質: |
鑄鐵、球墨鑄鐵、鑄鋼、不鏽鋼 |
制造标準: |
國标GB、德國DIN、美國API、ANSI |
|
适用介質: |
空氣、水、蒸氣、煤氣、油品等 |
生産廠家: |
上海凱利科閥門有限公司 |
産品說明
SD341X/SD343H伸縮蝶閥具有自動補償管道熱脹冷縮方便裝卸的功能,使用于溫度在425℃以下,公稱壓力在1.6MPa以下的石油、化工、電力、造紙、給排水和市政建設等工業管道上作調節流量和載斷流體的最佳裝置。
産品特點
1、結構獨特,設計靈活,重量輕,省力,啓閉迅速。
2、伸縮蝶閥不僅能補償管道溫差縮産生的熱脹冷縮的功能,還能爲維修閥門安裝更換提供方便。
3、密封部位可調節更換,密封性能可靠。
性能參數
|
工作壓力(MPa) |
0.6 |
1.0、1.6、2.5 |
|
适用溫度(℃) |
橡膠密封≤80℃ |
适用溫度(℃) |
金屬硬密封≤425℃ |
|
适用介質 |
水、污水、油品、空氣等 |
适用介質 |
水、蒸汽、污水、油品、空氣等 |
|
材料 |
閥體 |
灰鑄鐵 |
灰鑄鐵、鑄鋼 |
球墨鑄鐵 |
|
蝶闆 |
球墨鑄鐵(表面處理) |
球墨鑄鐵、不鏽鋼 |
球墨鑄鐵 |
|
閥杆 |
2Cr13 |
不鏽鋼、碳素鋼 |
鉻不鏽鋼 |
技術參數
|
公稱通徑 |
DN(mm) |
50~2200 |
|
公稱壓力 |
PN(MPa) |
0.6 |
1.0 |
1.6 |
|
試驗壓力 |
強度試驗 |
0.9 |
1.5 |
2.4 |
|
密封試驗 |
0.66 |
1.1 |
1.76 |
|
氣密封試驗 |
0.6 |
0.6 |
0.6 |
|
适用溫度 |
≤80℃~425℃ |
|
适用介質 |
空氣、水、蒸氣、煤氣、油品等。 |
|
驅動形式 |
手動、蝸杆蝸輪傳動、氣傳動、電傳動。 |
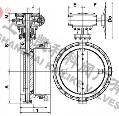
外形結構圖
主要外形尺寸
|
DN |
L |
L1 max |
A |
B |
E |
F |
J |
M |
Do |
|
50 |
160 |
172 |
83 |
120 |
90 |
205 |
83 |
115 |
200 |
|
65 |
160 |
172 |
89 |
145 |
90 |
205 |
83 |
115 |
200 |
|
80 |
180 |
195 |
98 |
158 |
90 |
205 |
83 |
115 |
200 |
|
100 |
195 |
215 |
110 |
170 |
90 |
205 |
83 |
115 |
200 |
|
125 |
205 |
225 |
123 |
182 |
90 |
205 |
83 |
115 |
200 |
|
150 |
205 |
225 |
140 |
210 |
90 |
205 |
83 |
115 |
200 |
|
200 |
218 |
238 |
170 |
238 |
90 |
205 |
83 |
115 |
200 |
|
250 |
233 |
258 |
195 |
270 |
90 |
205 |
83 |
134 |
250 |
|
300 |
248 |
268 |
222 |
300 |
90 |
205 |
83 |
134 |
250 |
|
350 |
278 |
303 |
252 |
330 |
120 |
265 |
141 |
159 |
250 |
|
400 |
298 |
323 |
285 |
368 |
120 |
265 |
141 |
159 |
250 |
|
450 |
311 |
336 |
310 |
402 |
185 |
250 |
115 |
163 |
250 |
|
500 |
330 |
355 |
337 |
438 |
185 |
250 |
115 |
163 |
315 |
|
600 |
350 |
375 |
393 |
490 |
245 |
400 |
145 |
185 |
315 |
|
700 |
364 |
395 |
450 |
558 |
245 |
400 |
145 |
185 |
315 |
|
800 |
415 |
445 |
515 |
625 |
310 |
460 |
191 |
220 |
315 |
|
900 |
435 |
475 |
560 |
685 |
310 |
460 |
191 |
220 |
400 |
|
1000 |
510 |
550 |
610 |
750 |
410 |
55 |
270 |
255 |
400 |
|
1200 |
590 |
630 |
825 |
880 |
410 |
55 |
270 |
255 |
400 |
|
1400 |
590 |
630 |
840 |
987 |
520 |
640 |
351 |
320 |
400 |
|
1600 |
626 |
660 |
960 |
1158 |
520 |
785 |
440 |
335 |
630 |
|
1800 |
670 |
710 |
1060 |
1258 |
520 |
640 |
351 |
320 |
400 |
|
2000 |
680 |
720 |
1165 |
1365 |
520 |
640 |
351 |
320 |
400 |
|
2200 |
700 |
740 |
1325 |
1470 |
520 |
640 |
351 |
320 |
400 |
安裝注意事項
1、安裝前必須平放,切勿随意磕碰,運行時嚴禁将支架卸掉。
2、出廠時結構長度爲最小長度,安裝時,拉至安裝長度(即設計長度)。
3、當管道間長度超過伸縮閥安裝長度時,請調整管道間隔,切勿強行拉伸縮蝶閥,以免損壞蝶閥。
4、可在任意安裝,做溫度補償用時,在管道安裝完成後,需沿管道軸線方向兩端加支架,防止伸縮閥伸縮管拉出。
聲明:【SD341X,SD343H伸縮蝶閥】規格型号、結構尺寸由上海凱利科閥門有限公司提供,如何選擇适用的SD341X,SD343H伸縮蝶閥産品,使之在工藝控制中安全可靠、經濟适用,可緻電我司銷售部門及技術部門,我們将在最短的時間内爲您解答! |